开关柜失效和故障知识介绍分享
2022-10-13 科威电气
KWZK-XXZ200微机消谐装置电源故障维修经验分享
2022-09-01 科威
KWZK-KZ/BH系列控制与保护开关简介
2022-08-31 科威电气
电力变压器噪声,产生原因/听声辩好坏/解决方法
2022-08-26 科威电气
电气操作中应注意的哪些问题?
2022-08-25 科威电气
红外热成像仪铁路供电系统保障应用
2022-08-04 科威
水泵电机电流的速算经验分享-KWZK科威电气
2022-05-23 科威电气
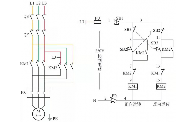
合上控制回路熔断器FU,电路具备启停条件。电动机主回路中增加了过载保护(热继电器FR)。电动机过载时,热继电器FR动作,FR的动断触点断开,接触器KM断电释放,KM的三个主触点同时断开,电动机断电停止运转。
2022-04-16 kwzk科威自控